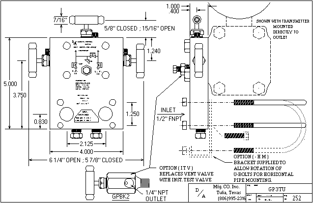
GP3TU Outline Drawing

GP3TU Outline Drawing